Appearance
基于 51 单片机的音乐播放器:蜂鸣器 + 按键控制实现多曲目切换
一、引言:
- 项目初衷:笔者对单片机发声原理感兴趣,想通过蜂鸣器实现简单音乐播放,同时学习定时器、中断、IO口控制的综合应用。
- 项目功能概述:通过按键选择播放《欢乐颂》《虫儿飞》等曲目,数码管显示当前状态,支持重置播放
- 适用人群:单片机初学者、电子爱好者,帮助理解 “如何将音乐理论转化为代码”。
二、硬件设计:
1.核心元件:
- 单片机:如STC89C52RC。
- 蜂鸣器:无源蜂鸣器,通过定时器生成方波驱动,频率可调
- 按键:4个独立按键(K1-K4),用于选择曲目、重置。
- 数码管:8位数码管(代码中用P0输出段码,P2控制位选)。
- 辅助元件:电阻、电容、晶振(11.0592MHz)。
2.硬件连接图(蜂鸣器):
蜂鸣器:连接到P2^5(代码中sbit Buzzer = P2^5)。

原理图中蜂鸣器连接如上图所示,但是stc89c52rc实验板实测引脚连接有误,实际上蜂鸣器的引脚连接为P2^5。
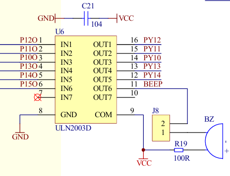
ULN2003D是高耐压、大电流达林顿管阵列,内部集成7路达林顿管,每路可驱动最大500mA电流,常用于驱动蜂鸣器、继电器、步进电机等大负载,实现单片机弱信号到强功率的转换。其中输入引脚(IN1~IN7) 连接单片机 IO 口,用于控制达林顿管的导通 / 关断。IN7(引脚7) 标有 “×”,表示未使用 / 预留;输出引脚(OUT1~OUT7) 内部为 集电极开路结构(达林顿管的集电极),需外接负载和电源(通过COM端),OUT6(引脚11)接蜂鸣器驱动电路。GND(引脚8):芯片接地端,内部达林顿管的发射极统一接地。COM(引脚9):公共电源端,连接负载的电源正极(图中为VCC),为集电极开路输出提供上拉电源。
工作原理为当单片机向IN6输出高电平时,ULN2003内部达林顿管导通,OUT6被拉低至地电位;此时电流路径为:VCC,COM,J8-1,R19,BZ+,BZ-,OUT6(地),蜂鸣器通电发声;当IN6为低电平时,达林顿管关断,OUT6悬浮,蜂鸣器断电静音。
三、代码架构
1.整体架构
- 文件结构:
main.c(主逻辑)、Buzzer.c/h(蜂鸣器驱动)、Timer0.c/h(定时器控制)、Key.c/h(按键检测)、nixie.c/h(数码管显示)、delay.c/h(延时函数)。 - 模块关系图: null
2.核心模块讲解——蜂鸣器驱动模块(buzzer.c/h):
在讲解具体的代码实现过程之前,我们先来讲解一下无源蜂鸣器能够不同频率声音的原理。蜂鸣器(压电式)的核心组件是压电陶瓷片,其特性是:在交变电压作用下会产生机械振动,振动频率与电压变化频率一致,当振动频率在 20Hz~20kHz(人耳可听范围)时,就会发出声音。若施加恒定电压(如持续高电平或低电平),压电片仅会瞬间形变后静止,不会产生持续振动,因此不发声;若施加周期性交变电压(即 “方波”,高低电平交替变化),压电片会随电压变化反复形变,产生持续振动,从而发出声音。
进一步地,我们由乐理知识结合可知,声音的音调高低由方波频率决定:频率越高,音调越高(如 440Hz 对应标准音 A4,880Hz 对应高八度的 A5);音量大小则与电压幅值相关(代码中通过单片机 IO 口高低电平驱动,幅值固定,故音量基本不变)。
那么,要如何生成所需频率的方波呢?笔者在一开始想到了使用delay100us()延时函数,通过多次调用此函数来实现对方波频率的调整。但是由于此函数精度不高,且对于部分频率需要取整后才能延时,累计误差过大,导致最终结果出现了明显的“跑调”。因而,笔者弃用了此方法,并在随之联想到了另一种计时方法,定时器中断系统。
通过定时器 0 的中断功能实现方波生成,核心逻辑是 “定时翻转蜂鸣器引脚电平”,具体流程如下:
首先,将方波频率与定时器中断关联起来:由上文我们已知蜂鸣器的发声频率 = 方波的频率(即每秒内高低电平交替的次数)。为生成频率为f的方波,需让定时器每隔
例如:要生成 440Hz(A4 标准音)的方波,周期为1/440 ≈ 2.27ms,则定时器需每隔1.135ms(半个周期)触发一次中断,每次中断翻转一次蜂鸣器引脚电平。
其次,我们需要对定时器初值进行计算。定时器的中断频率由初值决定(16 位定时器最大计数为 65535,初值越小,计数到溢出的时间越短,中断频率越高)。
代码中CalculateTimerReload()函数专门计算对应频率的初值,公式推导如下(基于
这与代码中CalculateTimerReload()函数的实现原理上完全一致:
c
// 计算定时器初值
static unsigned int CalculateTimerReload(float frequency)
{
if (frequency <= 0) return 0; // 休止符
// 11.0592MHz晶振,12分频,计算16位定时器初值
return 65536 - (unsigned int)(11059200UL / (24UL * frequency));
}最后,我们通过定时器中断服务来实现电平的翻转,定时器0的中断函数(Timer0_Routine,位于Timer0.c)是方波生成的执行环节:
c
//定时器0中断函数(用于蜂鸣器方波生成)
void Timer0_Routine() interrupt 1
{
if (Buzzer_Playing && Buzzer_Freq != 0) //如果正在播放且频率有效
{
//加载当前频率对应的定时器初值
TL0 = Buzzer_Freq % 256;
TH0 = Buzzer_Freq / 256;
Buzzer = !Buzzer; //翻转蜂鸣器引脚,产生方波
}
else //停止播放时
{
Buzzer = 0; //确保蜂鸣器关闭
}
}当播放音符时(Buzzer_Playing=1),每次中断都会用Buzzer_Freq(即CalculateTimerReload()计算的初值)重新加载定时器,确保中断间隔稳定,同时翻转Buzzer引脚(P2^5)的电平,形成连续方波;停止播放时,引脚固定为低电平,蜂鸣器停止振动。
函数buzzer_PlayNote()的讲解
整合以上,我们可以得到一个音符播放的完整流程(函数Buzzer_PlayNote())该函数将 “频率计算,时长控制,启动 / 停止定时器” 串联,实现单个音符的播放:
c
// Buzzer.c
// 播放指定音符
// baseFrequency: 基础频率
// noteName: 音名(用于调号处理)
// noteType: 音符类型(使用头文件中定义的宏)
void Buzzer_PlayNote(float baseFrequency, NoteName noteName, unsigned int noteType)
{
float actualFrequency;
unsigned int duration;
unsigned int reload;
// 参数校验
if (baseFrequency <= 0 || noteType == 0 || noteName < NOTE_C || noteName > NOTE_B)
{
Buzzer_Freq = 0;
Buzzer_Playing = 0;
return;
}
// 计算实际频率和时长
actualFrequency = GetActualFrequency(baseFrequency, noteName);
duration = CalculateNoteDuration(noteType);
reload = CalculateTimerReload(actualFrequency);
// 设置定时器并启动
Buzzer_Freq = reload;
Buzzer_Playing = 1;
TR0 = 1; // 启动定时器0
// 等待音符播放完成
Delay1ms(duration);
// 停止播放
Buzzer_Playing = 0;
TR0 = 0; // 停止定时器0
Buzzer = 0; // 关闭蜂鸣器
// 音符间停顿
Delay1ms(5);
}- 参数校验:过滤无效参数(如频率≤0、非法音名),避免错误发声。
- 计算实际频率:结合调号(
keySignatureMap)对基础频率进行偏移调整(升 / 降半音),得到actualFrequency(如 F 大调中 B 音需降半音)。 - 计算播放时长:根据BPM(每分钟节拍数)和音符类型(全音符、四分音符等),通过
CalculateNoteDuration()得到该音符的持续时间(毫秒)。 - 启动播放:将频率转换为定时器初值(
reload),设置Buzzer_Freq和Buzzer_Playing,启动定时器(TR0=1),此时定时器中断开始生成方波,蜂鸣器发声。 - 维持时长:通过
Delay1ms(duration)等待音符播放完成(期间方波持续生成)。 - 停止播放:关闭定时器(
TR0=0),复位Buzzer_Playing和蜂鸣器引脚,最后加5ms短延时避免音符连音。
除此之外,(为了偷懒) 笔者还引入了一些较为创新的想法,即通过参数化设计实现动态调整音乐,能够灵活调整对应的调号和BPM。
函数Buzzer_SetKeySignature():调号修改的实现原理
音乐原理: 调号(Key Signature)是音乐中决定 “哪些音需要固定升降” 的规则(如C大调无升降音,G大调需升F音)。该函数通过动态调整音符频率的半音偏移,实现不同调式的切换,其基于 “十二平均律” 的频率计算规则。
- 十二平均律:将一个八度(如C4到C5)平均分为12个半音,相邻半音的频率比为固定值
(代码中定义为 SEMITONE_RATIO)。- 调号的本质:每个调号规定了 7 个基本音级(如C大调的C-D-E-F-G-A-B)中哪些音需要升高或降低半音。例如:G大调的调号为 “升F”(F音需升高半音);F大调的调号为 “降B”(B音需降低半音)。
函数实现核心: 函数通过修改currentKeySignature变量,让后续音符的频率计算引用新调号的偏移规则,具体流程如下:
(1)调号映射表(keySignatureMap)的设计
代码中预定义了 15 种调号(如 C 大调、G 大调、F 大调等)对应的 “半音偏移表”
c
// 调号映射表:每个调号对应的半音偏移(-1=降半音,0=不变,1=升半音)
// 顺序:C, C#, D, D#, E, F, F#, G, G#, A, A#, B
static const signed char code keySignatureMap[15][12] = {
{0,0,0,0,0,0,0,0,0,0,0,0}, // C_MAJOR
{0,0,0,0,0,1,0,0,0,0,0,0}, // G_MAJOR (F#)
{1,0,0,0,0,1,0,0,0,0,0,0}, // D_MAJOR (F#, C#)
{1,0,0,0,0,1,0,1,0,0,0,0}, // A_MAJOR (F#, C#, G#)
{1,0,0,0,0,1,0,1,0,1,0,0}, // E_MAJOR (F#, C#, G#, D#)
{1,0,0,0,0,1,0,1,0,1,0,1}, // B_MAJOR (F#, C#, G#, D#, A#)
{1,0,1,0,0,1,0,1,0,1,0,1}, // F_SHARP_MAJOR (F#, C#, G#, D#, A#, E#)
{1,0,1,0,1,1,0,1,0,1,0,1}, // C_SHARP_MAJOR (所有音升半音)
{0,0,0,0,0,0,1,0,0,0,0,0}, // F_MAJOR (Bb)
{0,0,0,0,0,0,1,0,0,1,0,0}, // B_FLAT_MAJOR (Bb, Eb)
{0,0,0,0,0,0,1,0,0,1,0,1}, // E_FLAT_MAJOR (Bb, Eb, Ab)
{0,0,0,0,0,0,1,0,1,1,0,1}, // A_FLAT_MAJOR (Bb, Eb, Ab, Db)
{0,0,0,0,0,0,1,0,1,1,0,1}, // D_FLAT_MAJOR (Bb, Eb, Ab, Db, Gb)
{0,0,1,0,0,0,1,0,1,1,0,1}, // G_FLAT_MAJOR (Bb, Eb, Ab, Db, Gb, Cb)
{0,0,1,0,1,0,1,0,1,1,0,1} // C_FLAT_MAJOR (所有音降半音)
};(2)Buzzer_SetKeySignature()函数的作用
将currentKeySignature(当前调号)更新为用户指定的值,后续音符的频率计算将基于新调号的偏移规则。
c
// 修改调号
void Buzzer_SetKeySignature(unsigned char keySignature)
{
if (keySignature <= C_FLAT_MAJOR)
{
currentKeySignature = keySignature;
}
}(3)GetActualFrequency()函数的联动
当播放音符时,GetActualFrequency函数会根据currentKeySignature从映射表中获取偏移量,动态调整基础频率:
c
// 根据调号计算实际频率
static float GetActualFrequency(float baseFrequency, NoteName noteName)
{
char i = 0;
signed char offset = keySignatureMap[currentKeySignature][noteName];
float actualFreq = baseFrequency;
// 根据偏移计算实际频率(半音比例)
if (offset > 0)
{
for (i = 0; i < offset; i++)
{
actualFreq *= SEMITONE_RATIO;
}
}
else if (offset < 0)
{
for (i = 0; i > offset; i--)
{
actualFreq /= SEMITONE_RATIO;
}
}
return actualFreq;
}笔者在此举一个例子,例如:在G大调(currentKeySignature=1)中播放 F 音(noteName=NOTE_F),偏移量为1,因此实际频率 = 基础 F 音频率 × SEMITONE_RATIO(即升半音)。
综上,通过调号映射表 + 半音比例计算,我们就可以将复杂的音乐调式规则转化为可参数化的代码逻辑,实现了同一旋律在不同调号下的无缝切换,无需修改音符序列本身,仅通过修改调号参数即可适配不同音域需求 (狠狠偷懒了说是) 。
函数Buzzer_SetBPM():播放速度修改的实现原理
BPM(Beats Per Minute,每分钟节拍数)是衡量音乐速度的参数(如
表示每分钟60拍,每拍1秒; 表示每拍0.5秒)。该函数通过动态调整音符的播放时长,实现速度的实时改变,核心原理是节拍时长与BPM成倒数关系。而BPM与音符时长的关系为:音符的实际播放时间由 “节拍数” 决定(如二分音符 = 4拍,四分音符 = 1拍,附点四分音符 = 1.5拍),1拍的持续时间(单位:毫秒)= 60000 / BPM(1分钟 = 60000毫秒)
(1)函数Buzzer_SetBPM的作用
c
// 修改BPM
void Buzzer_SetBPM(unsigned int bpm)
{
if (bpm > 0) // 确保BPM为正数(避免除零错误)
{
currentBPM = bpm; // 更新当前BPM值
}
}此函数将currentBPM(当前节拍数)更新为用户指定值,后续音符的时长计算将基于新的BPM。
(2)通过函数CalculateNoteDuration()计算BPM对音符时长的影响:
音符的实际播放时长由CalculateNoteDuration函数计算,而该函数的输入依赖currentBPM:
c
// 计算音符时长(毫秒)
static unsigned int CalculateNoteDuration(unsigned int noteType)
{
unsigned int beatDuration = 60000 / currentBPM; // 一拍的时长(毫秒)
unsigned int duration = (4 * beatDuration) / (noteType & ~DOT); // 基础时长
if (noteType & DOT) // 附点音符增加一半时长
{
duration += duration / 2;
}
return duration;
}例如:当currentBPM=120时,1拍时长 = 60000/120=500ms,四分音符(noteType=4)的时长 = (4×500)/4=500ms;
(3)对播放流程的影响
Buzzer_PlayNote函数会使用CalculateNoteDuration()的结果作为延时时间(Delay1ms(duration)),因此 BPM 的变化会直接导致音符播放时长的变化:BPM值的大小与1拍时长成反比,与音符播放速度成正比。
综上,我们通过将 BPM 与音符时长绑定,实现了同一旋律在不同速度下的灵活播放。即将音乐速度的抽象概念(BPM)转化为可量化的时间计算(毫秒级延时),并通过函数接口实现动态调整,无需重新编写音符序列 (又偷懒了耶) 。
四、项目代码
1.main.c(内附欢乐颂和虫儿飞片段音符序列)
c
#include <REGX52.H>
#include "Key.h"
#include "nixie.h"
#include "Buzzer.h"
#include "delay.h"
#include "Timer0.h"
unsigned char KeyNum, i = 0;
// 定义结构体,格式:{基础频率, 音名, 音符类型}
typedef struct {
float freq;
NoteName name;
unsigned int type;
} Note;
// 欢乐颂音符序列(C大调)
const Note code odeToJoy[] = {
//(1)
{e2, NOTE_E, QUARTER_NOTE}, // 3
{e2, NOTE_E, QUARTER_NOTE}, // 3
{f2, NOTE_F, QUARTER_NOTE}, // 4
{g2, NOTE_G, QUARTER_NOTE}, // 5
{g2, NOTE_G, QUARTER_NOTE}, // 5
{f2, NOTE_F, QUARTER_NOTE}, // 4
{e2, NOTE_E, QUARTER_NOTE}, // 3
{d2, NOTE_D, QUARTER_NOTE}, // 2
{c2, NOTE_C, QUARTER_NOTE}, // 1
{c2, NOTE_C, QUARTER_NOTE}, // 1
{d2, NOTE_D, QUARTER_NOTE}, // 2
{e2, NOTE_E, QUARTER_NOTE}, // 3
{e2, NOTE_E, DOT_QUARTER_NOTE}, // 3(附点四分音符)
{d2, NOTE_D, EIGHTH_NOTE}, // 2(八分音符)
{d2, NOTE_D, HALF_NOTE}, // 2(二分音符)
{e2, NOTE_E, QUARTER_NOTE}, // 3
{e2, NOTE_E, QUARTER_NOTE}, // 3
{f2, NOTE_F, QUARTER_NOTE}, // 4
{g2, NOTE_G, QUARTER_NOTE}, // 5
//(6)
{g2, NOTE_G, QUARTER_NOTE}, // 5
{f2, NOTE_F, QUARTER_NOTE}, // 4
{e2, NOTE_E, QUARTER_NOTE}, // 3
{d2, NOTE_D, QUARTER_NOTE}, // 2
{c2, NOTE_C, QUARTER_NOTE}, // 1
{c2, NOTE_C, QUARTER_NOTE}, // 1
{d2, NOTE_D, QUARTER_NOTE}, // 2
{e2, NOTE_E, QUARTER_NOTE}, // 3
{d2, NOTE_D, DOT_QUARTER_NOTE}, // 2(附点四分音符)
{c2, NOTE_C, EIGHTH_NOTE}, // 1(八分音符)
{c2, NOTE_C, HALF_NOTE}, // 1(二分音符)
{d2, NOTE_D, QUARTER_NOTE}, // 2
{d2, NOTE_D, QUARTER_NOTE}, // 2
{e2, NOTE_E, QUARTER_NOTE}, // 3
{c2, NOTE_C, QUARTER_NOTE}, // 1
{d2, NOTE_D, QUARTER_NOTE}, // 2
{e2, NOTE_E, EIGHTH_NOTE}, // 3(八分音符)
{f2, NOTE_F, EIGHTH_NOTE}, // 4(八分音符)
{e2, NOTE_E, QUARTER_NOTE}, // 3
{c2, NOTE_C, QUARTER_NOTE}, // 1
//(11)
{d2, NOTE_D, QUARTER_NOTE}, // 2
{e2, NOTE_E, EIGHTH_NOTE}, // 3(八分音符)
{f2, NOTE_F, EIGHTH_NOTE}, // 4(八分音符)
{e2, NOTE_E, QUARTER_NOTE}, // 3
{d2, NOTE_D, QUARTER_NOTE}, // 2
{c2, NOTE_C, QUARTER_NOTE}, // 1
{d2, NOTE_D, QUARTER_NOTE}, // 2
{g1, NOTE_G, QUARTER_NOTE}, // 5(LOW1)
{e2, NOTE_E, HALF_NOTE}, // 3
{e2, NOTE_E, QUARTER_NOTE}, // 3
{f2, NOTE_F, QUARTER_NOTE}, // 4
{g2, NOTE_G, QUARTER_NOTE}, // 5
{g2, NOTE_G, QUARTER_NOTE}, // 5
{f2, NOTE_F, QUARTER_NOTE}, // 4
{e2, NOTE_E, QUARTER_NOTE}, // 3
{d2, NOTE_D, QUARTER_NOTE}, // 2
{c2, NOTE_C, QUARTER_NOTE}, // 1
{c2, NOTE_C, QUARTER_NOTE}, // 1
{d2, NOTE_D, QUARTER_NOTE}, // 2
{e2, NOTE_E, QUARTER_NOTE}, // 3
//(16)
{d2, NOTE_D, DOT_QUARTER_NOTE}, // 2(附点四分音符)
{c2, NOTE_C, EIGHTH_NOTE}, // 1(八分音符)
{c2, NOTE_C, HALF_NOTE}, // 1(二分音符)
{0, NOTE_C, 0} // 结束标志
};
//虫儿飞音符序列(F大调)
const Note code bugsFly[] = {
//(1)
{e2, NOTE_E, QUARTER_NOTE}, // 3
{e2, NOTE_E, EIGHTH_NOTE}, // 3(八分音符)
{e2, NOTE_E, EIGHTH_NOTE}, // 3(八分音符)
{f2, NOTE_F, QUARTER_NOTE}, // 4
{g2, NOTE_G, QUARTER_NOTE}, // 5
{e2, NOTE_E, DOT_QUARTER_NOTE}, // 3(附点四分音符)
{d2, NOTE_D, EIGHTH_NOTE}, // 2(八分音符)
{d2, NOTE_D, HALF_NOTE}, // 2(二分音符)
{c2, NOTE_C, QUARTER_NOTE}, // 1
{c2, NOTE_C, EIGHTH_NOTE}, // 1(八分音符)
{c2, NOTE_C, EIGHTH_NOTE}, // 1(八分音符)
{d2, NOTE_D, QUARTER_NOTE}, // 2
{e2, NOTE_E, QUARTER_NOTE}, // 3
{e2, NOTE_E, DOT_QUARTER_NOTE}, // 3(附点四分音符)
{b1, NOTE_B, EIGHTH_NOTE}, // 7(LOW1, 八分音符)
{b1, NOTE_B, HALF_NOTE}, // 7(LOW1, 二分音符)
//(5)
{a1, NOTE_A, QUARTER_NOTE}, // 6(LOW1)
{e2, NOTE_E, QUARTER_NOTE}, // 3
{d2, NOTE_D, HALF_NOTE}, // 2(二分音符)
{a1, NOTE_A, QUARTER_NOTE}, // 6(LOW1)
{e2, NOTE_E, QUARTER_NOTE}, // 3
{d2, NOTE_D, HALF_NOTE}, // 2(二分音符)
{a1, NOTE_A, QUARTER_NOTE}, // 6(LOW1)
{e2, NOTE_E, QUARTER_NOTE}, // 3
{d2, NOTE_D, DOT_QUARTER_NOTE}, // 2(附点四分音符)
{c2, NOTE_C, EIGHTH_NOTE}, // 1(八分音符)
{c2, NOTE_C, WHOLE_NOTE}, // 1(全音符)
{0, NOTE_C, 0} // 结束标志
};
void main(){
//蜂鸣器初始化,设置调号为C大调,指定bpm = 120
Buzzer_Init(120, C_MAJOR);
//定时器初始化
Timer0Init();
NixieDisplay(1,0);
while(1){
KeyNum = Key();
if(KeyNum == 1){
NixieDisplay(1,1);
// 播放旋律
Buzzer_SetBPM(96); //设定BPM为92
Buzzer_SetKeySignature(C_MAJOR); //修改调号为C大调
if(TR0 == 0){TR0 = 1;} //启动定时器
while(odeToJoy[i].freq != 0) {
Buzzer_PlayNote(
odeToJoy[i].freq,
odeToJoy[i].name,
odeToJoy[i].type
);
// 音符间短暂停顿(避免连音)
// Delay1ms(50);
i++;
}
}
if(KeyNum == 2){
NixieDisplay(1,2);
// 播放旋律
Buzzer_SetBPM(103); //设定BPM为103
Buzzer_SetKeySignature(F_MAJOR); //修改调号为F大调
if(TR0 == 0){TR0 = 1;} //启动定时器
while(bugsFly[i].freq != 0) {
Buzzer_PlayNote(
bugsFly[i].freq,
bugsFly[i].name,
bugsFly[i].type
);
// 音符间短暂停顿(避免连音)
// Delay1ms(50);
i++;
}
}
if(KeyNum == 4){
NixieDisplay(1,4);
//重新开始
if(TR0 == 1){TR0 = 0;} //关闭定时器
i = 0;
}
}
}2.Buzzer.h和Buzzer.c蜂鸣器模块
c
#include <REGX52.H>
#include <INTRINS.H>
#include "Buzzer.h"
#include "Delay.h"
// 私有变量
static unsigned int currentBPM = 120; // 当前BPM
static unsigned char currentKeySignature = C_MAJOR; // 当前调号
static const float code SEMITONE_RATIO = 1.059463094f; // 半音频率比 (2^(1/12))
// 调号映射表:每个调号对应的半音偏移(-1=降半音,0=不变,1=升半音)
// 顺序:C, C#, D, D#, E, F, F#, G, G#, A, A#, B
static const signed char code keySignatureMap[15][12] = {
{0,0,0,0,0,0,0,0,0,0,0,0}, // C_MAJOR
{0,0,0,0,0,1,0,0,0,0,0,0}, // G_MAJOR (F#)
{1,0,0,0,0,1,0,0,0,0,0,0}, // D_MAJOR (F#, C#)
{1,0,0,0,0,1,0,1,0,0,0,0}, // A_MAJOR (F#, C#, G#)
{1,0,0,0,0,1,0,1,0,1,0,0}, // E_MAJOR (F#, C#, G#, D#)
{1,0,0,0,0,1,0,1,0,1,0,1}, // B_MAJOR (F#, C#, G#, D#, A#)
{1,0,1,0,0,1,0,1,0,1,0,1}, // F_SHARP_MAJOR (F#, C#, G#, D#, A#, E#)
{1,0,1,0,1,1,0,1,0,1,0,1}, // C_SHARP_MAJOR (所有音升半音)
{0,0,0,0,0,0,1,0,0,0,0,0}, // F_MAJOR (Bb)
{0,0,0,0,0,0,1,0,0,1,0,0}, // B_FLAT_MAJOR (Bb, Eb)
{0,0,0,0,0,0,1,0,0,1,0,1}, // E_FLAT_MAJOR (Bb, Eb, Ab)
{0,0,0,0,0,0,1,0,1,1,0,1}, // A_FLAT_MAJOR (Bb, Eb, Ab, Db)
{0,0,0,0,0,0,1,0,1,1,0,1}, // D_FLAT_MAJOR (Bb, Eb, Ab, Db, Gb)
{0,0,1,0,0,0,1,0,1,1,0,1}, // G_FLAT_MAJOR (Bb, Eb, Ab, Db, Gb, Cb)
{0,0,1,0,1,0,1,0,1,1,0,1} // C_FLAT_MAJOR (所有音降半音)
};
// 全局变量定义
unsigned int Buzzer_Freq = 0;
bit Buzzer_Playing = 0;
/*
// 蜂鸣器私有延时函数 (100us)
void Buzzer_Delay100us(unsigned int us) //@11.0592MHz
{
unsigned char i;
while(us--)
{
_nop_();
i = 43;
while (--i);
}
}
*/
// 初始化蜂鸣器,设置BPM和调号
void Buzzer_Init(unsigned int bpm, unsigned char keySignature)
{
if (bpm > 0) currentBPM = bpm;
if (keySignature <= C_FLAT_MAJOR) currentKeySignature = keySignature;
Buzzer = 0;
}
// 修改调号
void Buzzer_SetKeySignature(unsigned char keySignature)
{
if (keySignature <= C_FLAT_MAJOR)
{
currentKeySignature = keySignature;
}
}
// 修改BPM
void Buzzer_SetBPM(unsigned int bpm)
{
if (bpm > 0)
{
currentBPM = bpm;
}
}
// 计算音符时长(毫秒)
static unsigned int CalculateNoteDuration(unsigned int noteType)
{
unsigned int beatDuration = 60000 / currentBPM; // 一拍的时长(毫秒)
unsigned int duration = (4 * beatDuration) / (noteType & ~DOT); // 基础时长
if (noteType & DOT) // 附点音符增加一半时长
{
duration += duration / 2;
}
return duration;
}
// 根据调号计算实际频率
static float GetActualFrequency(float baseFrequency, NoteName noteName)
{
char i = 0;
signed char offset = keySignatureMap[currentKeySignature][noteName];
float actualFreq = baseFrequency;
// 根据偏移计算实际频率(半音比例)
if (offset > 0)
{
for (i = 0; i < offset; i++)
{
actualFreq *= SEMITONE_RATIO;
}
}
else if (offset < 0)
{
for (i = 0; i > offset; i--)
{
actualFreq /= SEMITONE_RATIO;
}
}
return actualFreq;
}
// 计算定时器初值
static unsigned int CalculateTimerReload(float frequency)
{
if (frequency <= 0) return 0; // 休止符
// 11.0592MHz晶振,12分频,计算16位定时器初值
return 65536 - (unsigned int)(11059200UL / (24UL * frequency));
}
// 播放指定音符
// baseFrequency: 基础频率
// noteName: 音名(用于调号处理)
// noteType: 音符类型(使用头文件中定义的宏)
void Buzzer_PlayNote(float baseFrequency, NoteName noteName, unsigned int noteType)
{
float actualFrequency;
unsigned int duration;
unsigned int reload;
// 参数校验
if (baseFrequency <= 0 || noteType == 0 || noteName < NOTE_C || noteName > NOTE_B)
{
Buzzer_Freq = 0;
Buzzer_Playing = 0;
return;
}
// 计算实际频率和时长
actualFrequency = GetActualFrequency(baseFrequency, noteName);
duration = CalculateNoteDuration(noteType);
reload = CalculateTimerReload(actualFrequency);
// 设置定时器并启动
Buzzer_Freq = reload;
Buzzer_Playing = 1;
TR0 = 1; // 启动定时器0
// 等待音符播放完成
Delay1ms(duration);
// 停止播放
Buzzer_Playing = 0;
TR0 = 0; // 停止定时器0
Buzzer = 0; // 关闭蜂鸣器
// 音符间停顿
Delay1ms(5);
}c
#ifndef __BUZZER__H_
#define __BUZZER__H_
#include <REGX52.H>
#include "Timer0.h" // 引入定时器头文件
// 调号定义
#define C_MAJOR 0 // C大调/ a小调
#define G_MAJOR 1 // G大调/ e小调
#define D_MAJOR 2 // D大调/ b小调
#define A_MAJOR 3 // A大调/ f#小调
#define E_MAJOR 4 // E大调/ c#小调
#define B_MAJOR 5 // B大调/ g#小调
#define F_SHARP_MAJOR 6 // F#大调/ d#小调
#define C_SHARP_MAJOR 7 // C#大调/ a#小调
#define F_MAJOR 8 // F大调/ d小调
#define B_FLAT_MAJOR 9 // 降B大调/ g小调
#define E_FLAT_MAJOR 10 // 降E大调/ c小调
#define A_FLAT_MAJOR 11 // 降A大调/ f小调
#define D_FLAT_MAJOR 12 // 降D大调/ b_flat小调
#define G_FLAT_MAJOR 13 // 降G大调/ e_flat小调
#define C_FLAT_MAJOR 14 // 降C大调/ a_flat小调
// 音符类型定义
#define DOT 0x80 // 附点标记(用于按位或)
#define WHOLE_NOTE 1 // 全音符(4拍)
#define HALF_NOTE 2 // 二分音符(2拍)
#define QUARTER_NOTE 4 // 四分音符(1拍)
#define EIGHTH_NOTE 8 // 八分音符(1/2拍)
#define SIXTEENTH_NOTE 16 // 十六分音符(1/4拍)
// 附点音符(原时长 + 1/2原时长)
#define DOT_WHOLE_NOTE (WHOLE_NOTE | DOT)
#define DOT_HALF_NOTE (HALF_NOTE | DOT)
#define DOT_QUARTER_NOTE (QUARTER_NOTE | DOT)
#define DOT_EIGHTH_NOTE (EIGHTH_NOTE | DOT)
#define DOT_SIXTEENTH_NOTE (SIXTEENTH_NOTE | DOT)
// 音名枚举(用于调号映射)
typedef enum {
NOTE_C, NOTE_C_SHARP, NOTE_D, NOTE_D_SHARP, NOTE_E, NOTE_F,
NOTE_F_SHARP, NOTE_G, NOTE_G_SHARP, NOTE_A, NOTE_A_SHARP, NOTE_B
} NoteName;
// 音高宏定义(根据音高与频率对照表)
#define A2 27.5
#define Asharp2_Bflat2 29.14
#define B2 30.87
#define C1 32.7
#define Csharp1_Dflat1 34.65
#define D1 36.71
#define Dsharp1_Eflat1 38.89
#define E1 41.2
#define F1 43.65
#define Fsharp1_Gflat1 46.25
#define G1 49.0
#define Gsharp1_Aflat1 51.91
#define A1 55.0
#define Asharp1_Bflat1 58.27
#define B1 61.74
#define C 65.41
#define Csharp_Dflat 69.3
#define D 73.42
#define Dsharp_Eflat 77.78
#define E 82.41
#define F 87.31
#define Fsharp_Gflat 92.5
#define G 98.0
#define Gsharp_Aflat 103.83
#define A 110.0
#define Asharp_Bflat 116.54
#define B 123.47
#define c 130.81
#define csharp_db 138.59
#define d 146.83
#define dsharp_eb 155.56
#define e 164.81
#define f 174.61
#define fsharp_gb 185.0
#define g 196.0
#define gsharp_ab 207.65
#define a 220.0
#define asharp_bb 233.08
#define b 246.94
#define c1 261.63 // 中央C
#define csharp1_db1 277.18
#define d1 293.66
#define dsharp1_eb1 311.13
#define e1 329.63
#define f1 349.23
#define fsharp1_gb1 369.99
#define g1 392.0
#define gsharp1_ab1 415.3
#define a1 440.0 // A4标准音
#define asharp1_bb1 466.16
#define b1 493.88
#define c2 523.25
#define csharp2_db2 554.37
#define d2 587.33
#define dsharp2_eb2 622.25
#define e2 659.25
#define f2 698.46
#define fsharp2_gb2 739.99
#define g2 783.99
#define gsharp2_ab2 830.61
#define a2 880.0
#define asharp2_bb2 932.33
#define b2 987.77
#define c3 1046.5
#define csharp3_db3 1108.73
#define d3 1174.66
#define dsharp3_eb3 1244.51
#define e3 1318.51
#define f3 1396.91
#define fsharp3_gb3 1479.98
#define g3 1567.98
#define gsharp3_ab3 1661.22
#define a3 1760.0
#define asharp3_bb3 1864.66
#define b3 1975.53
#define c4 2093.0
#define csharp4_db4 2217.46
#define d4 2349.32
#define dsharp4_eb4 2489.02
#define e4 2637.02
#define f4 2793.83
#define fsharp4_gb4 2959.96
#define g4 3135.96
#define gsharp4_ab4 3322.44
#define a4 3520.0
#define asharp4_bb4 3729.31
#define b4 3951.07
#define c5 4186.01
// 蜂鸣器端口
sbit Buzzer = P2^5;
// 定时器相关全局变量
extern unsigned int Buzzer_Freq; // 存储定时器初值
extern bit Buzzer_Playing; // 播放状态标志
// 函数声明
void Buzzer_Init(unsigned int bpm, unsigned char keySignature);
void Buzzer_SetKeySignature(unsigned char keySignature);
void Buzzer_SetBPM(unsigned int bpm);
void Buzzer_PlayNote(float baseFrequency, NoteName noteName, unsigned int noteType);
#endif
/*
// 定义结构体,格式:{基础频率, 音名, 音符类型}
typedef struct {
float freq;
NoteName name;
unsigned int type;
} Note;
// 音符序列
const Note code odeToJoy[] = {
{c2, NOTE_C, QUARTER_NOTE}, // 1
}
*/3.Timer0.h和Timer0.c,定时器模块
c
#include <REGX52.H>
#include "Buzzer.h"
/*
函数:Timer0Init
功能:定时器0初始化
输入:无
输出:无
*/
void Timer0Init(void)//1毫秒@11.0592MHz
{
TMOD &= 0xF0; //设置定时器模式
TMOD |= 0x01; //设置定时器模式
TL0 = 0x66; //设置定时初始值
TH0 = 0xFC; //设置定时初始值
TF0 = 0; //清除TF0标志
TR0 = 1; //定时器0开始计时
ET0 = 1;
EA = 1;
PT0 = 0;
}
//定时器0中断函数(用于蜂鸣器方波生成)
void Timer0_Routine() interrupt 1
{
if (Buzzer_Playing && Buzzer_Freq != 0) //如果正在播放且频率有效
{
//加载当前频率对应的定时器初值
TL0 = Buzzer_Freq % 256;
TH0 = Buzzer_Freq / 256;
Buzzer = !Buzzer; //翻转蜂鸣器引脚,产生方波
}
else //停止播放时
{
Buzzer = 0; //确保蜂鸣器关闭
}
}c
#ifndef __TIMER0_H__
#define __TIMER0_H__
/*
函数:Timer0Init
功能:定时器0初始化
输入:无
输出:无
*/
void Timer0Init(void);//1毫秒@11.0592MHz
#endif4.Key.h和Key.c独立按键模块
c
#include <REGX52.H>
#include "delay.h"
// 定义按键引脚
#define KEY1 P3_1
#define KEY2 P3_0
#define KEY3 P3_2
#define KEY4 P3_3
/**
* 功能:扫描单个按键状态(通过函数参数区分不同按键)
* 参数:
* keyIndex:按键编号(1-4,对应K1-K4)
* 返回:按键按下时返回对应编号,否则返回0
*/
static unsigned char scanSingleKey(unsigned char keyIndex) {
// 根据按键编号判断对应引脚状态
bit pinState = 1; // 默认为高电平(未按下)
switch(keyIndex) {
case 1: pinState = KEY1; break; // 读取K1引脚
case 2: pinState = KEY2; break; // 读取K2引脚
case 3: pinState = KEY3; break; // 读取K3引脚
case 4: pinState = KEY4; break; // 读取K4引脚
}
// 按键按下检测(引脚为低电平)
if (pinState == 0) {
Delay1ms(20); // 消抖
// 再次检测确认按下
switch(keyIndex) {
case 1: pinState = KEY1; break;
case 2: pinState = KEY2; break;
case 3: pinState = KEY3; break;
case 4: pinState = KEY4; break;
}
if (pinState == 0) {
// 等待按键释放
while(pinState == 0) {
switch(keyIndex) {
case 1: pinState = KEY1; break;
case 2: pinState = KEY2; break;
case 3: pinState = KEY3; break;
case 4: pinState = KEY4; break;
}
}
Delay1ms(20); // 释放后消抖
return keyIndex; // 返回按键编号
}
}
return 0; // 未按下返回0
}
/**
* 功能:获取独立按键键值
* 返回:1-4(对应K1-K4),无按键按下返回0
*/
unsigned char Key() {
unsigned char keyValue = 0;
// 依次扫描4个按键(避免同时按下时冲突,优先识别先扫描的按键)
if (keyValue == 0) {
keyValue = scanSingleKey(1); // 扫描K1
}
if (keyValue == 0) {
keyValue = scanSingleKey(2); // 扫描K2
}
if (keyValue == 0) {
keyValue = scanSingleKey(3); // 扫描K3
}
if (keyValue == 0) {
keyValue = scanSingleKey(4); // 扫描K4
}
return keyValue;
}c
#ifndef __KEY_H__
#define __KEY_H__
/**
* 功能:获取独立按键键值
* 返回:1-4(对应K1-K4),无按键按下返回0
*/
unsigned char Key();
#endif5.nixie.h和nixie.c数码管模块
c
#include "nixie.h"
#include "delay.h"
#include <REGX52.H>
// 数码管段码表
const unsigned char NixieTable[] = {
0x3F, // 0
0x06, // 1
0x5B, // 2
0x4F, // 3
0x66, // 4
0x6D, // 5
0x7D, // 6
0x07, // 7
0x7F, // 8
0x6F // 9
};
// 宏定义简化位操作
#define DIGIT_SEL_PORT P2
#define DIGIT_DATA_PORT P0
/**
* @brief 设置数码管位置(内部函数)
* @param location 位置参数(1-8)
*/
static void SetDigitPosition(unsigned char location)
{
// 仅保留低3位,自动限制在0-7范围
unsigned char pos_code = (location - 1) & 0x07;
// 先关闭所有位选
DIGIT_SEL_PORT &= ~(0x1C); // 清除P2_4-P2_2位
// 设置新的位选信号
if(pos_code & 0x04)
DIGIT_SEL_PORT &= ~(1<<4); // 第2位
else
DIGIT_SEL_PORT |= (1<<4);
if(pos_code & 0x02)
DIGIT_SEL_PORT &= ~(1<<3); // 第1位
else
DIGIT_SEL_PORT |= (1<<3);
if(pos_code & 0x01)
DIGIT_SEL_PORT &= ~(1<<2); // 第0位
else
DIGIT_SEL_PORT |= (1<<2);
}
/**
* @brief 数码管显示函数
* @param location 数码管位置(1-8)
* @param number 要显示的数字(0-9),超过9将显示横杠
* @note 如果需要静态显示,可以关闭消隐处理
*/
void NixieDisplay(unsigned char location, unsigned char number)
{
// 边界检查,非法位置不显示
if(location < 1 || location > 8)
return;
// 数字越界处理,显示特殊符号(此处显示横杠)
if(number > 9)
number = 0x40; // 横杠的段码
else
number = NixieTable[number];
// 关闭显示,防止位选切换时的串扰
DIGIT_DATA_PORT = 0x00;
// 设置位选
SetDigitPosition(location);
// 输出段码
DIGIT_DATA_PORT = number;
// 短暂延时,保证显示亮度
Delay1ms(1);
// 消影处理
//DIGIT_DATA_PORT = 0x00;
}c
#ifndef __NIXIE_H__
#define __NIXIE_H__
/**
* @brief 数码管显示函数
* @param location 数码管位置(1-8)
* @param number 要显示的数字(0-9),超过9将显示横杠
*/
void NixieDisplay(unsigned char location, unsigned char number);
#endif6.delay.h和delay.c延时函数模块
c
#include <INTRINS.H>
#include "delay.h"
/**
* @brief 延时函数(约1ms)
* @param xms 延时时长,单位为毫秒
* @note 基于11.0592MHz晶振
*/
void Delay1ms(unsigned int xms) //@11.0592MHz
{
unsigned char i, j;
while(xms--)
{
_nop_();
i = 2;
j = 199;
do
{
while (--j);
} while (--i);
}
}c
#ifndef __DELAY_H__
#define __DELAY_H__
/**
* @brief 延时函数(约1ms)
* @param xms 延时时长,单位为毫秒
*/
void Delay1ms(unsigned int xms);
#endif五、总结与展望
- 项目收获:掌握定时器中断、IO 口控制、音乐理论与代码的结合,理解模块化编程的优势。
- 目前不足:代码不够简洁,当音符序列过长时会超出内存限制无法编译。
- 未来扩展:或许可以考虑移植到矩阵键盘上以支持更多曲目,同时支持歌曲播放的快进和回退,增加暂停播放等功能。添加OLED屏幕显示歌词,歌曲播放时长乃至添加一个歌曲进度条。通过蓝牙控制播放等。
2025年8月8日更新:收到反馈,原代码中无法处理含有休止符0的音符序列,现做修正。
修正说明:
- 参数校验调整: 原代码中
baseFrequency <= 0会直接返回,导致休止符不处理时长。修改后允许baseFrequency = 0(休止符),仅校验noteType和noteName的有效性。 - 休止符处理逻辑: 当
baseFrequency <= 0时,视为休止符: 关闭蜂鸣器(Buzzer = 0) 停止定时器(TR0 = 0) 等待与音符类型对应的时长(Delay1ms(duration)) 保持音符间的停顿(Delay1ms(5))
具体修正如下:
- 修改
Buzzer.c中的Buzzer_PlayNote函数:
c
// 播放指定音符
// baseFrequency: 基础频率
// noteName: 音名(用于调号处理)
// noteType: 音符类型(使用头文件中定义的宏)
void Buzzer_PlayNote(float baseFrequency, NoteName noteName, unsigned int noteType)
{
float actualFrequency;
unsigned int duration;
unsigned int reload;
// 参数校验(允许baseFrequency为0作为休止符,其他参数需有效)
if (noteType == 0 || noteName < NOTE_C || noteName > NOTE_B)
{
Buzzer_Freq = 0;
Buzzer_Playing = 0;
return;
}
// 计算实际频率和时长
// 处理休止符(基础频率为0)
if (baseFrequency <= 0)
{
// 停止蜂鸣器,保持静音
Buzzer_Playing = 0;
TR0 = 0; // 停止定时器
Buzzer = 0; // 确保蜂鸣器关闭
duration = CalculateNoteDuration(noteType);
Delay1ms(duration); // 等待休止符时长
Delay1ms(5); // 音符间停顿
return;
}
// 处理正常音符(非休止符)
actualFrequency = GetActualFrequency(baseFrequency, noteName);
duration = CalculateNoteDuration(noteType);
reload = CalculateTimerReload(actualFrequency);
// 设置定时器并启动
Buzzer_Freq = reload;
Buzzer_Playing = 1;
TR0 = 1; // 启动定时器0
// 等待音符播放完成
Delay1ms(duration);
// 停止播放
Buzzer_Playing = 0;
TR0 = 0; // 停止定时器0
Buzzer = 0; // 关闭蜂鸣器
// 音符间停顿
Delay1ms(5);
}- 修改
main.c中main()函数中,判断音符序列是否播放的逻辑:
c
void main(){
......//初始化(保持不变)
while(1){
KeyNum = Key();
if(KeyNum == 1){
......
/*此处做出修改,当音名和音符类型同为0时才会判断播放结束*/
while(answer[i].freq != 0 || answer[i].type != 0) {
Buzzer_PlayNote(
answer[i].freq,
answer[i].name,
answer[i].type
);
i++;
}
}
if(KeyNum == 4){
......
}
}
}- 以下附上修正后
main.c文件的代码,其中附歌曲《答案》的片段音符序列以供测试。
c
#include <REGX52.H>
#include "Key.h"
#include "nixie.h"
#include "Buzzer.h"
#include "delay.h"
#include "Timer0.h"
unsigned char KeyNum, i = 0;
// 定义结构体,格式:{基础频率, 音名, 音符类型}
typedef struct {
float freq;
NoteName name;
unsigned int type;
} Note;
// 答案音符序列(C大调)
const Note code answer[] = {
//有个简单的问题,
{g1, NOTE_G, SIXTEENTH_NOTE}, // 5
{a1, NOTE_A, SIXTEENTH_NOTE}, // 6
{c2, NOTE_C, EIGHTH_NOTE}, // 1(HIGH1)
{c2, NOTE_C, EIGHTH_NOTE}, // 1(HIGH1)
{c2, NOTE_C, SIXTEENTH_NOTE}, // 1(HIGH1)
{g1, NOTE_A, EIGHTH_NOTE}, // 6
{g1, NOTE_G, SIXTEENTH_NOTE}, // 5
{g1, NOTE_G, HALF_NOTE}, // 5
//什么是爱情?
{g1, NOTE_G, EIGHTH_NOTE}, // 5
{g1, NOTE_G, EIGHTH_NOTE}, // 5
{g1, NOTE_G, SIXTEENTH_NOTE}, // 5
{e1, NOTE_E, DOT_EIGHTH_NOTE}, // 3
{c1, NOTE_C, QUARTER_NOTE}, // 1
{0, NOTE_C, QUARTER_NOTE}, // 0
//它是否是一种味道还是引力?
{g1, NOTE_G, SIXTEENTH_NOTE}, // 5
{a1, NOTE_A, SIXTEENTH_NOTE}, // 6
{c2, NOTE_C, EIGHTH_NOTE}, // 1(HIGH1)
{c2, NOTE_C, EIGHTH_NOTE}, // 1(HIGH1)
{c2, NOTE_C, SIXTEENTH_NOTE}, // 1(HIGH1)
{a1, NOTE_A, DOT_EIGHTH_NOTE}, // 6
{g1, NOTE_G, EIGHTH_NOTE}, // 5
{g1, NOTE_G, EIGHTH_NOTE}, // 5
{a1, NOTE_A, EIGHTH_NOTE}, // 6
{g1, NOTE_G, EIGHTH_NOTE}, // 5
{a1, NOTE_A, EIGHTH_NOTE}, // 6
{e1, NOTE_E, DOT_QUARTER_NOTE}, // 3
{0, NOTE_C, EIGHTH_NOTE}, // 0
//从我初恋那天起,
{g1, NOTE_G, SIXTEENTH_NOTE}, // 5
{a1, NOTE_A, SIXTEENTH_NOTE}, // 6
{c2, NOTE_C, EIGHTH_NOTE}, // 1(HIGH1)
{c2, NOTE_C, EIGHTH_NOTE}, // 1(HIGH1)
{c2, NOTE_C, SIXTEENTH_NOTE}, // 1(HIGH1)
{g1, NOTE_A, EIGHTH_NOTE}, // 6
{g1, NOTE_G, SIXTEENTH_NOTE}, // 5
{g1, NOTE_G, HALF_NOTE}, // 5
{0, NOTE_C, QUARTER_NOTE}, // 0
//先是甜蜜然后紧接就会有风雨,
{e2, NOTE_E, EIGHTH_NOTE}, // 3(HIGH1)
{e2, NOTE_E, EIGHTH_NOTE}, // 3(HIGH1)
{d2, NOTE_D, EIGHTH_NOTE}, // 2(HIGH1)
{c2, NOTE_C, DOT_QUARTER_NOTE}, // 1(HIGH1)
{g1, NOTE_G, SIXTEENTH_NOTE}, // 5
{a1, NOTE_A, SIXTEENTH_NOTE}, // 6
{c2, NOTE_C, EIGHTH_NOTE}, // 1(HIGH1)
{c2, NOTE_C, EIGHTH_NOTE}, // 1(HIGH1)
{c2, NOTE_C, SIXTEENTH_NOTE}, // 1(HIGH1)
{g1, NOTE_A, EIGHTH_NOTE}, // 6
{g1, NOTE_G, SIXTEENTH_NOTE}, // 5
{g1, NOTE_G, QUARTER_NOTE}, // 5
{g1, NOTE_A, EIGHTH_NOTE}, // 6
{c2, NOTE_C, EIGHTH_NOTE}, // 1(HIGH1)
{c2, NOTE_C, DOT_HALF_NOTE}, // 1(HIGH1)
//爱就像蓝天白云晴空万里
{g1, NOTE_G, SIXTEENTH_NOTE}, // 5
{a1, NOTE_A, SIXTEENTH_NOTE}, // 6
{c2, NOTE_C, EIGHTH_NOTE}, // 1(HIGH1)
{d2, NOTE_D, SIXTEENTH_NOTE}, // 2(HIGH1)
{e2, NOTE_E, EIGHTH_NOTE}, // 3(HIGH1)
{a1, NOTE_A, DOT_EIGHTH_NOTE}, // 6
{c2, NOTE_C, EIGHTH_NOTE}, // 1(HIGH1)
{d2, NOTE_D, SIXTEENTH_NOTE}, // 2(HIGH1)
{e2, NOTE_E, EIGHTH_NOTE}, // 3(HIGH1)
{a1, NOTE_A, DOT_EIGHTH_NOTE}, // 6
{c2, NOTE_C, EIGHTH_NOTE}, // 1(HIGH1)
//突然暴风雨
{d2, NOTE_D, EIGHTH_NOTE}, // 2(HIGH1)
{e2, NOTE_E, EIGHTH_NOTE}, // 3(HIGH1)
{e2, NOTE_E, EIGHTH_NOTE}, // 3(HIGH1)
{g2, NOTE_G, QUARTER_NOTE}, // 5(HIGH1)
{e2, NOTE_E, DOT_QUARTER_NOTE}, // 3(HIGH1)
//无处躲避总是让人始料不及
{d2, NOTE_D, SIXTEENTH_NOTE}, // 2(HIGH1)
{e2, NOTE_E, EIGHTH_NOTE}, // 3(HIGH1)
{a1, NOTE_A, DOT_EIGHTH_NOTE}, // 6
{c2, NOTE_C, EIGHTH_NOTE}, // 1(HIGH1)
{d2, NOTE_D, SIXTEENTH_NOTE}, // 2(HIGH1)
{e2, NOTE_E, EIGHTH_NOTE}, // 3(HIGH1)
{a1, NOTE_A, DOT_EIGHTH_NOTE}, // 6
{c2, NOTE_C, EIGHTH_NOTE}, // 1(HIGH1)
{d2, NOTE_D, EIGHTH_NOTE}, // 2(HIGH1)
{c2, NOTE_C, EIGHTH_NOTE}, // 1(HIGH1)
{d2, NOTE_D, EIGHTH_NOTE}, // 2(HIGH1)
{c2, NOTE_C, DOT_QUARTER_NOTE}, // 1(HIGH1)
//人就像患重感冒打着喷嚏
{g1, NOTE_G, SIXTEENTH_NOTE}, // 5
{a1, NOTE_A, SIXTEENTH_NOTE}, // 6
{c2, NOTE_C, EIGHTH_NOTE}, // 1(HIGH1)
{d2, NOTE_D, SIXTEENTH_NOTE}, // 2(HIGH1)
{e2, NOTE_E, EIGHTH_NOTE}, // 3(HIGH1)
{a1, NOTE_A, DOT_EIGHTH_NOTE}, // 6
{c2, NOTE_C, EIGHTH_NOTE}, // 1(HIGH1)
{d2, NOTE_D, SIXTEENTH_NOTE}, // 2(HIGH1)
{e2, NOTE_E, EIGHTH_NOTE}, // 3(HIGH1)
{a1, NOTE_A, DOT_EIGHTH_NOTE}, // 6
{c2, NOTE_C, EIGHTH_NOTE}, // 1(HIGH1)
//发烧要休息
{d2, NOTE_D, EIGHTH_NOTE}, // 2(HIGH1)
{e2, NOTE_E, EIGHTH_NOTE}, // 3(HIGH1)
{e2, NOTE_E, EIGHTH_NOTE}, // 3(HIGH1)
{g2, NOTE_G, QUARTER_NOTE}, // 5(HIGH1)
{e2, NOTE_E, DOT_QUARTER_NOTE}, // 3(HIGH1)
//冷热交替欢喜犹豫乐此不疲
{d2, NOTE_D, SIXTEENTH_NOTE}, // 2(HIGH1)
{e2, NOTE_E, EIGHTH_NOTE}, // 3(HIGH1)
{a1, NOTE_A, DOT_EIGHTH_NOTE}, // 6
{c2, NOTE_C, EIGHTH_NOTE}, // 1(HIGH1)
{d2, NOTE_D, SIXTEENTH_NOTE}, // 2(HIGH1)
{e2, NOTE_E, EIGHTH_NOTE}, // 3(HIGH1)
{a1, NOTE_A, DOT_EIGHTH_NOTE}, // 6
{c2, NOTE_C, EIGHTH_NOTE}, // 1(HIGH1)
{d2, NOTE_D, EIGHTH_NOTE}, // 2(HIGH1)
{c2, NOTE_C, EIGHTH_NOTE}, // 1(HIGH1)
{d2, NOTE_D, EIGHTH_NOTE}, // 2(HIGH1)
{c2, NOTE_C, EIGHTH_NOTE}, // 1(HIGH1)
{c2, NOTE_C, HALF_NOTE}, // 1(HIGH1)
{0, NOTE_C, 0} // 结束标志
};
void main(){
//蜂鸣器初始化,设置调号为C大调,指定bpm = 120
Buzzer_Init(120, C_MAJOR);
//定时器初始化
Timer0Init();
NixieDisplay(1,0);
while(1){
KeyNum = Key();
if(KeyNum == 1){
NixieDisplay(1,1);
// 播放旋律
Buzzer_SetBPM(74); //设定BPM为74
Buzzer_SetKeySignature(C_MAJOR); //修改调号为C大调
if(TR0 == 0){TR0 = 1;} //启动定时器
while(answer[i].freq != 0 || answer[i].type != 0) {
Buzzer_PlayNote(
answer[i].freq,
answer[i].name,
answer[i].type
);
// 音符间短暂停顿(避免连音)
// Delay1ms(50);
i++;
}
}
if(KeyNum == 4){
NixieDisplay(1,4);
//重新开始
if(TR0 == 1){TR0 = 0;} //关闭定时器
i = 0;
}
}
}